|
公司基本資料信息
|
|||||||||||||||||||||||||||||
艾默生直流屏PFU-13開關量采集模塊
1.艾默生直流屏PFU-13開關量采集模塊功能描述
艾默生直流屏PFU-13開關量采集模塊是一個饋出空開狀態采集模塊。當系統需要監測的饋出支路開關量大于24路時需要增加PFU-13開關量采集模塊。每個開關量采集模塊可監測24路開關量,典型應用是檢測各分屏的饋出開關的跳閘和狀態。
2.可接入的信號量
24路饋出支路空開跳閘告警信號或空開狀態信號。
通過判斷開關量對應接點12Vdc的接通與否判斷其狀態。支路開關量為常閉或常開(由監控設置)觸點接入。
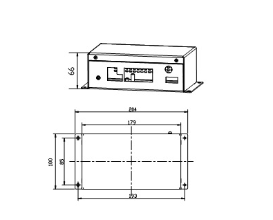
3.外形尺寸
艾默生直流屏PFU-13開關量采集模塊外形及尺寸見圖所示。

圖1-1 PFU-13開關量采集模塊外形及尺寸(單位:mm)
4.端子接口定義
艾默生直流屏PFU-13開關量采集模塊接線采用螺栓壓接型接插件端子,方便使用。
各端子定義如下表所示。

表1-1 PFU-13端子定義
5.地址撥碼開關說明
SW1為PFU-13開關監測模塊的地址撥碼開關,用于與PSM-E20監控模塊通信時地址識別。
開關撥到OFF表示1,ON表示0。4位撥碼形成一個4位十六進制值,再加上80就是PFU-13最終的地址值。對應關系見下表。
表1-2 SW1地址撥碼位置和地址值的對應關系
6.與下級設備的連接
同PFU-12直流電源配電監控模塊,但只能連接饋出支路告警開關量和狀態量。饋出支路可選擇告警量\狀態量\12告警12狀態\1告警23狀態。
綜上,PSM-E20監控單元、PFU-12配單監控和PFU-13開關量擴展盒組成了艾默生的直流屏監控系統,這一代的監控系統已是gao等級變電站的配置監控系統,前幾年艾默生推出了EMU10監控模塊為he心的監控系統,在今后的文章中會陸續介紹艾默生在直流屏監控系統新的設計思路和解決方案。